Очистка стоків миття техніки

Технологія очищення та відведення зворотних вод від миття транспорту, розроблена НІЦ „Потенціал-4”, забезпечує очищення забруднених вод до нормативних показників та спрямована на збереження та раціональне використання водних ресурсів, що є особливо актуальним зважаючи на стрімко зростаючий дефіцит чистої води на всій планеті.
Очисні споруди забезпечують очищення зворотних вод від миття автомобілів та забруднених дощових вод до якості, необхідної для їх повторного використання у зворотному циклі.
Склад зворотних вод від миття автомобілів та забруднених дощових вод наведено в таблиці 1 (на прикладі автоцентра «Вольво», м. Київ).

Таблиця 1.

№ п/п Найменування
показника
Одиниця
виміру
Концентрації
Виробничі води
від миття
Забруднені
дощові води
Суміш виробничих
і дощових

1

Завислі речовини

мг/л

2800

1000

1200

2

БСК5

мгО2

180

120

145

3

ХСК

мгО2

310

180

240

4

Нафтопродукти (масла)

мг/л

100

50

70

5

СПАР

мг/л

10

-

4,7

6

Сухий залишок

мг/л

1850

500

1130

7

рН

од.

6,5-8,0

6,5-8,5

6,5-8,5


 

Для забруднених дощових, талих вод та вод від миття транспорту визначальною забруднюючою речовиною для вибору методів їх очистки є завислі речовини,  концентрація яких в цих водах значно – в 10-100 разів - перевищує гранично допустимі концентрації (ГДК) на скид зворотних вод у водойми. Ці забруднення можуть бути віднесені до I групи дисперсності, які найбільш раціонально вилучаються на установках та спорудах механічної очистки (пісковловлювачах, нафтовловлювачах, гідроциклонах, проціджувачах, ситах,  відстійниках та ін.). Ступінь очистки цих вод від грубодисперсних завислих речовин на цих спорудах досягає 85%-90%, але навіть залишкова концентрація 20-40 мг/л не відповідає нормативним вимогам, які дозволяють водовідведення зворотних вод з концентрацією завислих речовин менше 12 –15 мг/л.

Не менш значними забруднювачами таких вод є дрібнодисперсні завислі речовини, речовини колоїдного ступеню дисперсності, нафтопродукти в стані емульсій. В забруднених дощових водах органічні високомолекулярні забруднюючі речовини, як розчинні, так і колоїдного ступеню дисперсності, контролюються по хімічному споживанні забрудненою водою кисню (ХСК) або біохімічному споживанню кисню за 5 діб (БСК5).

Для вилучення домішок II групи дисперсності (колоїдів, високомолекулярних речовин в емульсованому і розчиненому стані) доцільно використовувати установки «Флокфіл». Вони являють собою блочно-модульний комплекс з блоками флокуляції, флотації, відстоювання, фільтрування та, при необхідності, біосорбції та біоокислення. В блоці флокуляції відбувається корегування окислювально-відновлювального потенціалу (Eh) завдяки подачі повітря, а також використанню різноманітних препаратів (флокулянтів, біопрепаратів). В процесі флокуляції відбувається також укрупнення дрібнодисперсних домішок, змінюється їх агрегатний стан. В блоках флотації та відстоювання відбувається процес розподілу фаз з видаленням забруднень в шлам та осад, які видаляються в блок аеробної стабілізації та ущільнення осаду, куди додатково вводяться біопрепаратів для біосорбції та біоокислення органічних речовин.

В блоках фільтрування установок «Флокфіл» освітлені води проходять через модифіковане пінополістирольне завантаження, або поліпропіленовий волокнистий матеріал, на яких іммобілізовані за спеціальною методикою мікроорганізми-біодеструктори, що дозволяє суттєво зменшити забруднення попередньо освітлених вод розчиненими нафтопродуктами та СПАР.

Дослідження якості очищених на установках «Флокфіл» методами механічної та фізико-біохімічної очистки зворотних вод показали, що вони в ряді випадків вони потребують доочистки по показникам ХСК,  БСК5 СПАР та біогенних елементів.

Спорудою, що здійснює глибоку доочистку вод завдяки життєдіяльності симбіозу гідробіонтів – мікроорганізмів, безхребетних, водоростей, вищих водних рослин (комиш, рогоза), вологолюбних рослин (верба) – є закрите біоплато гідропонного типу.

Закрите біоплато гідропонного типу з прикріпленими на інертному субстраті угрупованнями мікроорганізмів може робити на протязі року, так як воно термоізольоване об’ємним волокнистим інертним матеріалом, який не перешкоджає проростанню вищих водних рослин. Їх кореневища навіть узимку вилучають з вод забруднення. Закрите біоплато гідропонного типу не має відкритого дзеркала води, що виключає розвиток комарів та інших комах на об’єкті в теплий період року.

Таким чином, очищені зворотні води можуть бути використані повторно як для технологічних потреб (миття транспорту), так і для проведення поливомийних робіт на території підприємства, для поливу газонів та ін. зелених насаджень тощо. Осад, до складу якого входять завислі речовини та біомаса мікроорганізмів-деструкторів нафтопродуктів, після зневоднення направляється на утилізацію в якості добрива для зелених насаджень.

Враховуючи склад забруднених вод доцільно використати методи механічної, фізико-хімічної очистки та біологічної доочистки з використанням наступних блоків:
I - механічна очистка за допомогою гідроциклонів;
II - фізико-хімічна очистка на установці «Флокфіл»;
III - біологічна доочистка на біоплато з вищими водними рослинами.


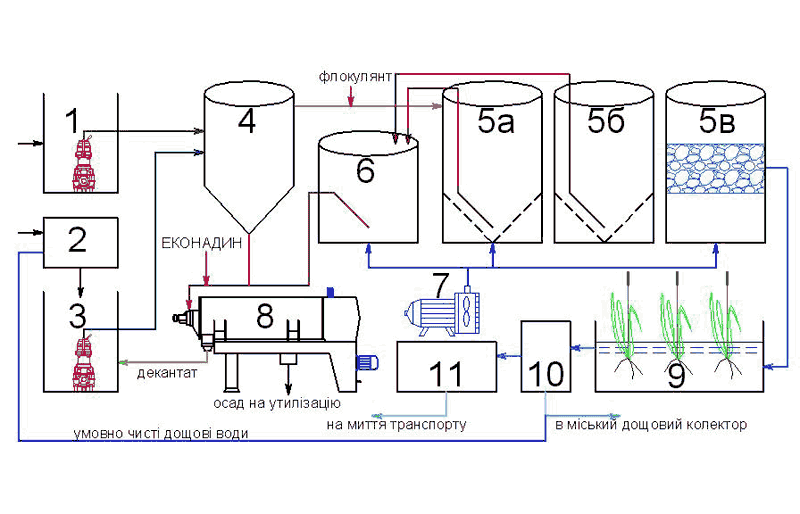
Рис. 1. Технологічна схема очистки забруднених дощових, талих вод і вод від миття транспорту

1 – приймальна камера скидних вод від миття транспорту, 2 – розподільча камера дощових вод, 3 – накопичувач-усереднювач забруднених дощових вод, 4 – гідроциклон, 5 – установка «Флокфіл»: 5а – флотатор, 5б – відстійник, 5в – фільтр, 6 – стабілізатор, 7 – повітродувка, 8 – установка механічного зневоднення осаду, 9 – закрите біоплато гідропонного типу з біопрепаратом-деструктором нафтопродуктів, 10 – резервуар очищених вод, 11 – знезараження

Склад очищених з використанням технологій «Потенціал-4» вод наведено в таблиці 2.

Таблиця 2.

№ п/п Найменування
показника
Одиниця
виміру
Концентрації
Очищені
води
З використанням
доочистки

1

Завислі речовини

мг/л

20,0

12,0

2

БСК5

мгО2

25,0

15,0

3

ХСК

мгО2

95,0

80,0

4

Нафтопродукти (масла)

мг/л

2,0

0,3

5

СПАР

мг/л

2,5

0,5

6

Сухий залишок

мг/л

1129

1000

7

рН

од.

6,5-8,0

6,5-8,5

 

Очисні споруди дощових вод та вод від миття трамваїв потужністю 134 м3/добу, м. Київ